Мини-актуатор серии U6B является уменьшенной версией линейногоактуатора серии U6,и специально разработан для применения в электрических диванах. Корпус редуктора актуатора данной серии изготовлен из металла, а длина хода меньше 150 мм. Преимуществом актуатора является его бесшумность, компактность и легкость в монтаже, что делает его идеальным для применения при небольших нагрузках не больше 100кг.
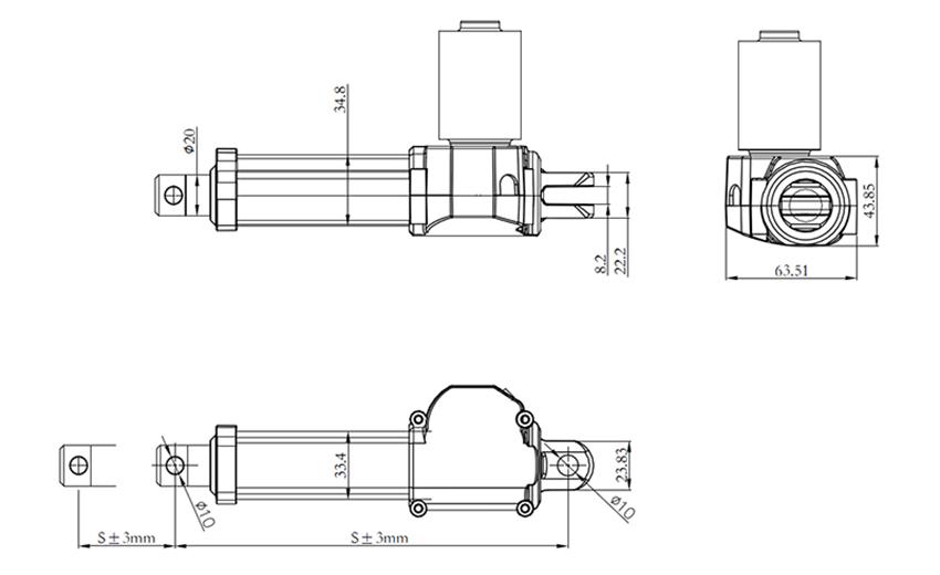
Внешний вид и размер

① Диаграмма усилие-ток ② Потребляемый ток (A); ③ Усилие (Н); ④ Диаграмма усилие-скорость; ⑤ Скорость (мм/сек)
Код Параметров| Код | Усилие(Н) | Потребляемый ток(A) | Скорость(мм/сек) | ||||
| Толкающее | Тяговое | На холостом ходу(32В постоянного тока) | При полной нагрузке(24В постоянного тока) | ||||
| Станд.двигатель (2200об/мин) | |||||||
| A | 1500 | 1500 | 1.5 | 7.8 | 3.7 | ||
| B | 1000 | 1000 | 1.5 | 15.2 | 6.6 | ||
| Высокоскоростной двигатель(3800об/мин) | |||||||
| E | 2500 | 2000 | 2..8 | 9.3 | 5.2 | ||
| F | 2000 | 2000 | 3 | 13.2 | 6.9 | ||
| G | 1500 | 1500 | 4 | 26.4 | 10.8 | ||
| Длинный двигатель (3400об/мин) | |||||||
| H | 1000 | 1000 | 3 | 24.5 | 16 | ||
| J | 3000 | 2000 | 4 | 12 | 7 | ||
| Длинный двигатель (4500 об/мин) | |||||||
| K | 3000 | 2000 | 4 | 16 | 7.5 | ||
Примечание: При изменении напряжения с 24 В на 12 В, значение тока удваивается.
Ключ для заказа1=12В
2=24В(стандартный)
1= Белый
2=2= Темно-серый
1=0°/180°
2=45°
3=90°
4=135°
1= Ширина 6.2мм, отверстие Φ6.4мм
2= Ширина 6.2мм, отверстие Φ8мм
3= Ширина 6.2мм, отверстие Φ6.4мм(стандартный)
4= Ширина 6.2мм, отверстие Φ10мм, трубка Φ8мм
1=Отверстие Φ6.4мм
2=Отверстие Φ8мм
3=Скоба, разрез 6мм, отверстие Φ6.4мм
4=Скоба, разрез 6мм, отверстие Φ8мм
5=Скоба, разрез 6мм, отверстие Φ10мм
6=Отверстие Φ10мм (стандартный)
7=Отверстие Φ10мм, трубка Φ8мм
8=Ширина 32мм, отверстие Φ10.2мм с пластиковой крышкой
1=нормально разомкнутый выключатель на обоих концах замыкает цепь
2=нормально разомкнутый выключатель на обоих концах выводит сигнал
3=нормально разомкнутый на обоих концах замыкает цепь, разомкнутый на одну третью - выводит сигнал
4=нормально разомкнутый на обоих концах замыкает цепь, разомкнутый на одну третью - выводит сигнал
C=по заказу
1=отсутствует
2=Темно-серый
3=Датчик двойного эффекта Холла
C=по заказу
1=отсутствует
2= Торсионная пружина с двумя циклами
3=1.5M
1=0.5M
2=1M
3=1.5M
4=2M
5=3M
6=0.35M
7=0.75M
8=0.8M
1= концевые выводы
2=01-контактный разъем (стандартный)
3=Din 6-контактный разъем
4=Кабель Y 01-контактный разъем, Din разъем гнездовой 5-контактный (0.5м)
5=Кабель V 01-контактный разъем, Din разъем гнездовой 5-контактный (0.35м)
6=Din 5-контактный разъем
7=2-контактный разъем VH-3.96мм
8=110 терминал
9=Кабель E, разъем штыревой 01-контактный, разъем гнездовой 01-контактный, разъем гнездовой 5-контактный
A=Три хвоста, разъем штыревой 01-контактный, разъем гнездовой 01-контактный *2, разъем гнездовой 5-контактный
1=прямой кабель
2=спиралевидный кабель
Линейные актуаторы U1
Линейные актуаторы U2
Линейные актуаторы U4
Линейные актуаторы U5
Линейные актуаторы U5B
Линейные актуаторы U5D
Линейные актуаторы U6
Линейные актуаторы U6B
Линейный актуатор U7
Линейные актуаторы U9
Линейные актуаторы U10L
Линейные актуаторы U10P
Линейные актуаторы U10S
Линейный актуатор U12Наша продукция системы линейного перемещения широко применяется в различных отраслях, а требования к линейным актуаторам в разных отраслях, как правило, различные. И, чтобы соответствовать этим требованиям, наши актуаторы обладают 9 ключевыми параметрами. Кроме того, мы также готовы разработать уникальные линейные актуаторы в соответствии с Вашими заданными параметрами. Мы располагаем высококвалифицированными инженерами, которые помогут Вам найти идеальное решение для воплощения Ваших идей. Все, что Вам нужно, - это знать что Вам нужно, а мы приступим к созданию наиболее подходящего дизайна и немедленно отправим Вам образец для ознакомления. Даже, если Вы не имеете конкретного дизайна будущих линейных актуаторов, наша команда профессионалов всегда рада проконсультировать Вас.
Tomuu Linear Actuator Technology Co., Ltd.
Адрес: Shengyao Hi-Tech Park, Shipai Town, Dongguan City, Guangdong Province
Эл. почта: kimlee.w.info@gmail.com
Контактное лицо: Cherry
Моб. телефон: +86-13713428909
WhatsApp: +86-13713428909
Контактное лицо: Kim
Моб. телефон: +86-13416955738
WhatsApp: +1 (646) 496-8744