Линейный актуатор для применения в области солнечной энергетики
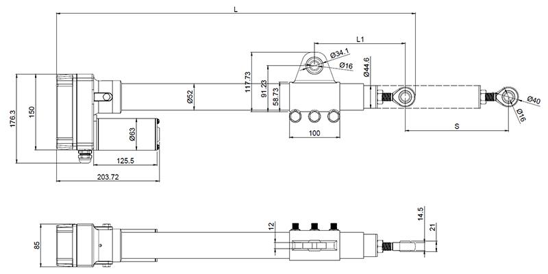
Линейный актуатор с двигателем постоянного тока серии U4 специально разработан для применения в солнечной энергетике. Для применения в жестких условиях эксплуатации оболочка линейных актуаторов изготовлена из алюминиевого сплава, а внутренние механизмы из нержавеющей стали, благодаря чему линейные актуаторы обладают высокой коррозионной стойкостью. Для обеспечения водонепроницаемости при установлении двигателя используются уплотнительные кольца, особенно в местах соединения болтами. Из-за большой грузоподъемности винтовая зубчатая передача изготавливается методом порошковой металлургии. Динамическая нагрузка линейных актуаторов серии U4 достигает 8000Н, а статическая нагрузка достигает 20000Н, что позволяет удерживать 25 солнечных панелей. Обратная связь по положению реализовывается в основном с помощью герконового датчика.
Линия графика

① Диаграмма усилие-ток ② Потребляемый ток (A); ③ Усилие (Н); ④ Диаграмма усилие-скорость; ⑤ Скорость (мм/сек)
Код Параметров| Код | Усилие (Н) | Потребляемый ток(A) | Скорость (мм/сек) | ||
| Толкающее | Тяговое | На холостом ходу(32В пост.тока) | При полной нагрузке(24В пост.тока) | ||
| A | 6000 | 6000 | 2.2 | 2.7 | 1.64 |
| B | 8000 | 8000 | 3.2 | 2.7 | 1.37 |
Примечание: При изменении напряжения с 24 В на 12 В, значение тока удваивается.
Ключ для заказа1=12В
2=24B
3=36B
4=48B
1=Стержневой тип,Φ13мм
2=Стержневой тип,Φ16мм
3=Стержневой тип,Φ20мм
C=по заказу
1=Шейковое крепление, Φ12.7мм
2=Цапфовое крепление
3=Переднее крепление
C=по заказу
1=отсутствует
2=Датчик Холла
3=Герконовый датчик
C=по заказу
1=Концевые выводы
2=Din 5-контактный разъем
3=Контактный разъем штыревой серии
C=по заказу
1=1M
2=1.5M
3=2M
4=3M
C=по заказу
Линейные актуаторы U1
Линейные актуаторы U2
Линейные актуаторы U4
Линейные актуаторы U5
Линейные актуаторы U5B
Линейные актуаторы U5D
Линейные актуаторы U6
Линейные актуаторы U6B
Линейный актуатор U7
Линейные актуаторы U9
Линейные актуаторы U10L
Линейные актуаторы U10P
Линейные актуаторы U10S
Линейный актуатор U12Наша продукция системы линейного перемещения широко применяется в различных отраслях, а требования к линейным актуаторам в разных отраслях, как правило, различные. И, чтобы соответствовать этим требованиям, наши актуаторы обладают 9 ключевыми параметрами. Кроме того, мы также готовы разработать уникальные линейные актуаторы в соответствии с Вашими заданными параметрами. Мы располагаем высококвалифицированными инженерами, которые помогут Вам найти идеальное решение для воплощения Ваших идей. Все, что Вам нужно, - это знать что Вам нужно, а мы приступим к созданию наиболее подходящего дизайна и немедленно отправим Вам образец для ознакомления. Даже, если Вы не имеете конкретного дизайна будущих линейных актуаторов, наша команда профессионалов всегда рада проконсультировать Вас.
Tomuu Linear Actuator Technology Co., Ltd.
Адрес: Shengyao Hi-Tech Park, Shipai Town, Dongguan City, Guangdong Province
Эл. почта: kimlee.w.info@gmail.com
Контактное лицо: Cherry
Моб. телефон: +86-13713428909
WhatsApp: +86-13713428909
Контактное лицо: Kim
Моб. телефон: +86-13416955738
WhatsApp: +1 (646) 496-8744