Электрический актуатор для мебели серии U5D представляет собой миниатюрную версию линейного актуатора серии U5, благодаря чему его можно использовать в электрических диванах и массажных креслах. Данный тип актуатора относится к актуаторам скользящего типа, и отличается своей бесшумностью и компактностью.
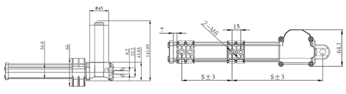
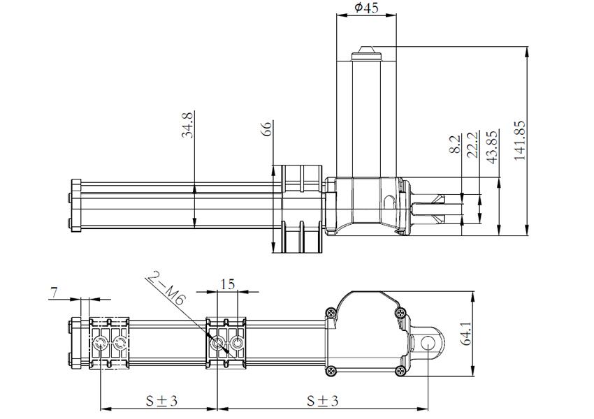
Внешний вид и размер

① Диаграмма усилие-ток ② Потребляемый ток (A); ③ Усилие (Н); ④ Диаграмма усилие-скорость; ⑤ Скорость (мм/сек)
Код Параметров| д | Усилие(Н) | Потребляемый ток(A) | Скорость (мм/сек) | ||
| Толкающее | Тяговое | На холостом ходу (32В постоянного тока) | При полной нагрузке (24В постоянного тока) | ||
| Двигатель со снятыми агрегатами и головками цилиндров (3800об/мин) | |||||
| A | 2000 | 1500 | 1.5 | 9.3 | 5.2 |
| B | 1000 | 1000 | 1.5 | 26.4 | 10.8 |
| Длинный двигатель (3400об/мин) | |||||
| E | 2500 | 2000 | 2..8 | 9.3 | 5.2 |
| F | 2000 | 2000 | 3 | 13.2 | 6.9 |
| G | 1500 | 1500 | 4 | 26.4 | 10.8 |
1=12В
2=24В(стандартный)
1=прямой кабель
2=спиралевидный кабель
1=0/180°
2=45°
3=90°
4=135°
1=0.5M
2=1M
3=1.5M
4=2M
5=3M
6=0.35M
7=0.75M
8=0.8M
9=0.25M
1=концевые выводы
2=01-контактный разъем (стандартный)
3=Din 6-контактный разъем 8=110 терминал
4=Кабель Y, 01-контактный разъем штыревой серии, Din 5-контактный разъем гнездовой серии (0.5м)
5=Кабель V, 01-контактный разъем штыревой серии, Din 5-контактный разъем гнездовой серии (0.35м)
6=Din 5-контактный разъем
7=2-контактный разъем VH-3.96 мм
8=110 терминал
9=Кабель E, 01-контактный разъем штыревой серии, 01-контактный разъем гнездовой серии, 5-контактный разъем гнездовой серии
A= Три хвоста,01-контактный разъем штыревой серии, 01-контактный разъем гнездовой серии, 01-контактный разъем гнездовой серии *2, 5-контактный разъем гнездовой серии
1=отсутствует(стандартный)
2=один датчик Холла
3=два датчика Холла
Линейные актуаторы U1
Линейные актуаторы U2
Линейные актуаторы U4
Линейные актуаторы U5
Линейные актуаторы U5B
Линейные актуаторы U5D
Линейные актуаторы U6
Линейные актуаторы U6B
Линейный актуатор U7
Линейные актуаторы U9
Линейные актуаторы U10L
Линейные актуаторы U10P
Линейные актуаторы U10S
Линейный актуатор U12Наша продукция системы линейного перемещения широко применяется в различных отраслях, а требования к линейным актуаторам в разных отраслях, как правило, различные. И, чтобы соответствовать этим требованиям, наши актуаторы обладают 9 ключевыми параметрами. Кроме того, мы также готовы разработать уникальные линейные актуаторы в соответствии с Вашими заданными параметрами. Мы располагаем высококвалифицированными инженерами, которые помогут Вам найти идеальное решение для воплощения Ваших идей. Все, что Вам нужно, - это знать что Вам нужно, а мы приступим к созданию наиболее подходящего дизайна и немедленно отправим Вам образец для ознакомления. Даже, если Вы не имеете конкретного дизайна будущих линейных актуаторов, наша команда профессионалов всегда рада проконсультировать Вас.
Tomuu Linear Actuator Technology Co., Ltd.
Адрес: Shengyao Hi-Tech Park, Shipai Town, Dongguan City, Guangdong Province
Эл. почта: kimlee.w.info@gmail.com
Контактное лицо: Cherry
Моб. телефон: +86-13713428909
WhatsApp: +86-13713428909
Контактное лицо: Kim
Моб. телефон: +86-13416955738
WhatsApp: +1 (646) 496-8744