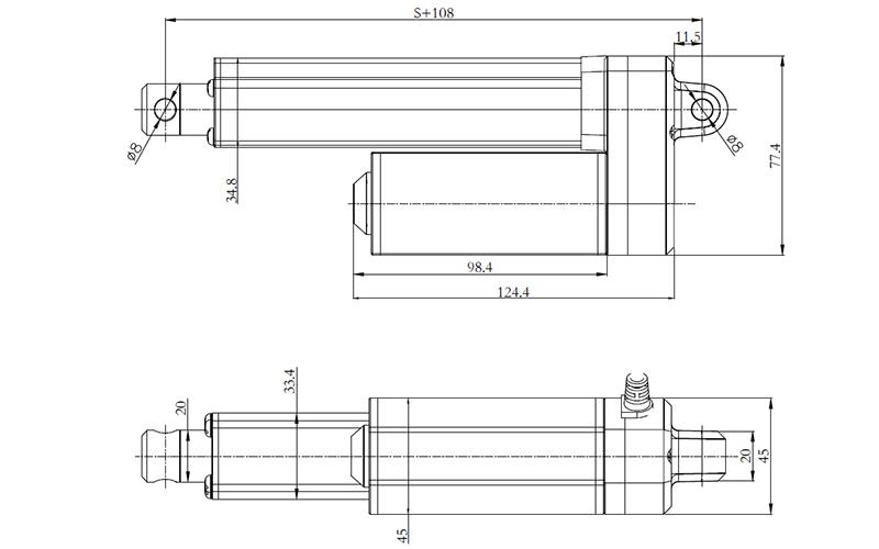
Компактный линейный актуатор серии U7 предназначен для использования в новогодних елках, багажниках автомобиля и для промышленного применения. Длина актуатора во втянутом состоянии составляет 108 мм+длина хода, а максимальная длина хода составляет больше 1 м.
Внутренняя трубка, внешняя трубка и корпус редуктора изготовлены из алюминиевого сплава, а зубчатое колесо изготовлено методом порошковой металлургии.
Параметры
Линия графика

① Диаграмма усилие-ток ② Потребляемый ток (A); ③ Усилие (Н); ④ Диаграмма усилие-скорость; ⑤ Скорость (мм/сек)
Код Параметров| Код | Усилие (Н) | Потребляемый ток (A) | Скорость (мм/сек) | ||
| Толкающее | Тяговое | Скорость на холостом ходу (32В постоянного тока) | Скорость при полной нагрузке (24В постоянного тока) | ||
| Стандартный двигатель (5200об/мин) | |||||
| A | 2000 | 2000 | 2.2 | 7 | 6 |
| B | 1500 | 1500 | 2.2 | 9.3 | 8 |
| C | 1000 | 1000 | 2.2 | 14 | 12 |
| D | 500 | 500 | 2.2 | 28 | 24 |
| E | 250 | 250 | 2.2 | 43 | 36 |
| Высокоскоростной двигатель (6600об/мин) | |||||
| F | 2000 | 2000 | 2.8 | 5.8 | 7.5 |
| G | 1500 | 1500 | 2.8 | 9.3 | 10.3 |
| H | 1000 | 1000 | 2.8 | 13.2 | 15 |
| I | 500 | 500 | 2.8 | 26.4 | 10.8 |
| J | 250 | 250 | 2.8 | 20.2 | 46 |
Примечание: При изменении напряжения с 24 В на 12 В, значение тока удваивается.
Ключ для заказа1=12В
2=24В(стандартный)
3=36В
4=48В
1=концевые выводы
2=01-контактный разъем
3=Din 6-контактный разъем
C=по заказу
1=Φ6.4мм
2=Φ8мм
3=Φ10мм
4=Φ6.4мм,slot 6мм
5=Φ8мм,slot 6мм
6=Φ10мм,slot6мм
C=по заказу
1=Отверстие Φ6.4мм
2=Отверстие Φ8мм
3=Скоба, разрез 5.2мм, отверстие Φ6.4мм
4=Скоба, разрез 4.2мм, отверстие Φ6.4мм
5=Скоба, разрез 4.2мм, отверстие Φ8мм
6=Стержневой тип, отверстие Φ6мм
7=Стержневой тип, отверстие Φ8мм
C=по заказу
1=90°
2=0°/180°
1= Осутствует
2= Сигнал от механического потенциомера
3= Импульсный сигнал от датчика Холла
4= Двойной импульсный сигнал от датчика Холла
1= прямой кабель, 0.5м
2= прямой кабель,1м
3= прямой кабель,1.5м
4= прямой кабель, 2м
5= прямой кабель, 3м
C=по заказу
1=нормально разомкнутый выключатель замыкает цепь
2=нормально разомкнутый выключатель выводит сигнал
3=нормально разомкнутый выключатель выводит сигнал
C=по заказу
Линейные актуаторы U1
Линейные актуаторы U2
Линейные актуаторы U4
Линейные актуаторы U5
Линейные актуаторы U5B
Линейные актуаторы U5D
Линейные актуаторы U6
Линейные актуаторы U6B
Линейный актуатор U7
Линейные актуаторы U9
Линейные актуаторы U10L
Линейные актуаторы U10P
Линейные актуаторы U10S
Линейный актуатор U12Наша продукция системы линейного перемещения широко применяется в различных отраслях, а требования к линейным актуаторам в разных отраслях, как правило, различные. И, чтобы соответствовать этим требованиям, наши актуаторы обладают 9 ключевыми параметрами. Кроме того, мы также готовы разработать уникальные линейные актуаторы в соответствии с Вашими заданными параметрами. Мы располагаем высококвалифицированными инженерами, которые помогут Вам найти идеальное решение для воплощения Ваших идей. Все, что Вам нужно, - это знать что Вам нужно, а мы приступим к созданию наиболее подходящего дизайна и немедленно отправим Вам образец для ознакомления. Даже, если Вы не имеете конкретного дизайна будущих линейных актуаторов, наша команда профессионалов всегда рада проконсультировать Вас.
Tomuu Linear Actuator Technology Co., Ltd.
Адрес: Shengyao Hi-Tech Park, Shipai Town, Dongguan City, Guangdong Province
Эл. почта: kimlee.w.info@gmail.com
Контактное лицо: Cherry
Моб. телефон: +86-13713428909
WhatsApp: +86-13713428909
Контактное лицо: Kim
Моб. телефон: +86-13416955738
WhatsApp: +1 (646) 496-8744