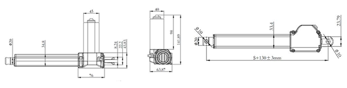
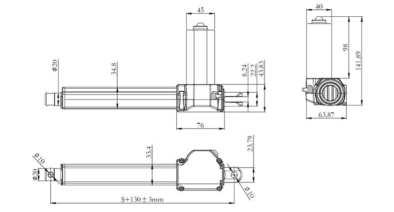
Электрический линейный актуатор серии U6 отличается компактностью, благодаря чему идеально подходит для использования в электрических диванах, массажных креслах и креслах-подъемниках. Двигатели данной серии бесшумных линейных актуаторов не имеют оболочки, что уменьшает потерью тепла и обеспечивает более длительный срок службы. Максимальное усилие втягивания составляет 3500Н, а сам корпус актуатора изготовлен из алюминиевого материала, предварительно обработанный методом анодного окисления, за счет чего обеспечивает коррозионную стойкость. Задная часть актуатора может быть отрегулирована под разные углы в соответствии с требованиями к установке.
Преимущества: бесшумность, компактность, легкостьв установке. Для выбора имеются два способа крепления: переднее и заднее крепления.
Актуатор серии U6 оснащен универсальным адаптером питания и современным ручным пультом управления.
Параметры
Линия графика

① Диаграмма усилие-ток ② Потребляемый ток (A); ③ Усилие (Н); ④ Диаграмма усилие-скорость; ⑤ Скорость (мм/сек)
Код Параметров| Код | Усилие(Н) | Потребляемый ток(A) | Скорость(мм/сек) | ||
| Толкающее | Тяговое | На холостом ходу(32В постоянного тока) | При полной нагрузке(24В постоянного тока) | ||
| Стандартный двигатель (2600об/мин) | |||||
| A | 1500 | 1500 | 1.5 | 7.8 | 7.55 |
| B | 1000 | 1000 | 1.5 | 15.2 | 7.84 |
| C | 800 | 800 | 1.7 | 21.5 | 8.0 |
| Высокоскоростной двигатель (3800об/мин) | |||||
| D | 3500 | 2000 | 3.2 | 5.8 | 6.71 |
| E | 2500 | 2000 | 2.8 | 9.3 | 7.07 |
| F | 2000 | 2000 | 3 | 13.2 | 7.34 |
| G | 1200 | 1500 | 4 | 26.4 | 7.8 |
Примечание: При изменении напряжения с 24 В на 12 В, значение тока удваивается.
Ключ для заказа1=12В
2=24В(стандартный)
1=прямой кабель
2=спиралевидный кабель
1=0/180°
2=45°
3=90°
4=135°
1=Разрез 6.2мм, отверстие Φ6.4мм
2= Разрез 6.2мм, отверстие Φ8мм
3= Разрез 6.2мм, отверстие Φ10мм
C=по заказу
1=черный
2=Песчаный
C=по заказу
1=IP42
2=IP54
3=IP65
4=IP66
1=отсутствует
3= одна торсионная пружина с 4,5 циклами
2=одна торсионная пружина с 3 циклами
4=тормоз двигателя
1=нормально разомкнутый выключатель на обоих концах замыкает цепь
2=нормально разомкнутый выключатель на обоих концах выводит сигнал
3=нормально разомкнутый на обоих концах замыкает цепь, разомкнутый на одну третью - выводит сигнал
4=нормально разомкнутый на обоих концах замыкает цепь, разомкнутый на одну третью - выводит сигнал
1=отсутствует
2=один датчик Холла
3=два датчика Холла
4=по заказу
1=концевые выводы
2=01-контактный разъем
3=Din 6-контактный разъем
C=по заказу
1=0.5M
2=1M
3=1.5M
4=2M
5=3M
C=по заказу
1=Отверстие Φ6.4мм
2=Отверстие Φ8мм
3=Скоба, разрез 6мм, отверстие Φ6.4мм
4=Скоба, разрез 6мм, отверстие Φ8мм
5=Скоба, разрез 6мм, отверстие Φ10мм
C=по заказу
Линейные актуаторы U1
Линейные актуаторы U2
Линейные актуаторы U4
Линейные актуаторы U5
Линейные актуаторы U5B
Линейные актуаторы U5D
Линейные актуаторы U6
Линейные актуаторы U6B
Линейный актуатор U7
Линейные актуаторы U9
Линейные актуаторы U10L
Линейные актуаторы U10P
Линейные актуаторы U10S
Линейный актуатор U12Наша продукция системы линейного перемещения широко применяется в различных отраслях, а требования к линейным актуаторам в разных отраслях, как правило, различные. И, чтобы соответствовать этим требованиям, наши актуаторы обладают 9 ключевыми параметрами. Кроме того, мы также готовы разработать уникальные линейные актуаторы в соответствии с Вашими заданными параметрами. Мы располагаем высококвалифицированными инженерами, которые помогут Вам найти идеальное решение для воплощения Ваших идей. Все, что Вам нужно, - это знать что Вам нужно, а мы приступим к созданию наиболее подходящего дизайна и немедленно отправим Вам образец для ознакомления. Даже, если Вы не имеете конкретного дизайна будущих линейных актуаторов, наша команда профессионалов всегда рада проконсультировать Вас.
Tomuu Linear Actuator Technology Co., Ltd.
Адрес: Shengyao Hi-Tech Park, Shipai Town, Dongguan City, Guangdong Province
Эл. почта: kimlee.w.info@gmail.com
Контактное лицо: Cherry
Моб. телефон: +86-13713428909
WhatsApp: +86-13713428909
Контактное лицо: Kim
Моб. телефон: +86-13416955738
WhatsApp: +1 (646) 496-8744