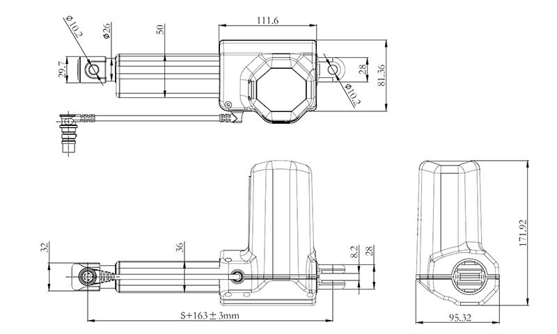
Линейный актуатор серии U2 предназначен для высоких нагрузок и отличается бесшумностью, идеально подходит для применения в медицинских кроватях, стоматологических креслах и других установках медицинского назначения. Наличие редуктора позволяет достигнуть максимального толкающего усилия в 8000Н, что соответствует требованиям медицинского оборудования.
Передний и задний крепеж изготовлен из алюминиевого материала ADC12, за счет чего линейный актуатор серии U2 обладает большей долговечностью по сравнению с линейнымактуатором серии U1. В целях защиты от влаги уплотнительные элементы обтянуты дополнительной резиной. Также заказчик может выбрать тип торможения и защиту от перегрузки во время оформления заказа. Для обеспечения совместимости с блоком управления розетка линейного актуатора серии U2 отличается от розетки линейного актуатора серии U1.
Данный тип линейного актуатора оснащен адаптером питания и ручным пультом управления. Также к одному блоку управления одновременно можно подключить два или три привода. На случай отключения электроэнергии линейный привод может быть оснащен блоком питания.
Параметры
Линия графика

① Диаграмма усилие-ток ② Потребляемый ток (A); ③ Усилие (Н); ④ Диаграмма усилие-скорость; ⑤ Скорость (мм/сек)
Код Параметров| од | Усилие(Н) | Потребляемый ток(A) | Скорость(мм/сек) | ||
| Толкающее | Тяговое | На холостом ходу(32В постоянного тока) | При полной нагрузке(24В постоянного тока) | ||
| Станд.двигатель (2600об/мин) | |||||
| A | 8000 | 4000 | 4.2 | 5 | 2.41 |
| B | 6000 | 4000 | 3.7 | 6 | 2.63 |
| C | 5000 | 4000 | 3.2 | 8 | 2.88 |
| D | 3500 | 3500 | 2.6 | 11.9 | 3.07 |
| E | 2500 | 2500 | 2.1 | 15.9 | 3.5 |
| F | 2000 | 2000 | 1.7 | 21.4 | 3.38 |
| G | 1000 | 1000 | 1.3 | 32.1 | 3.45 |
| Высокоскоростной двигатель(3400об/мин) | |||||
| H | 8000 | 4000 | 5 | 6.7 | 3.3 |
| I | 6000 | 4000 | 4.3 | 7.6 | 4.1 |
| J | 5000 | 4000 | 4.3 | 10.1 | 5.4 |
| K | 3500 | 3500 | 4.7 | 15.1 | 7.9 |
| L | 2500 | 2500 | 4.2 | 20.2 | 11.1 |
| M | 2000 | 2000 | 4.1 | 27.1 | 14.9 |
| N | 1000 | 1000 | 3.1 | 39.5 | 23.4 |
Примечание: При изменении напряжения с 24 В на 12 В, значение тока удваивается.
Ключ для заказа1=12В
2=24В(стандартный)
1=0°/180°
2= 90°
3=30°
4=60°
1=Пластиковая скоба, разрез 6.2мм, диаметр отверстия Φ10.2мм
2=скоба из алюминиевого сплава, разрез 8.2мм, отверстие Φ12.2мм
3=скоба из алюминиевого сплава, разрез 10.2мм, отверстие Φ10.2мм
4=скоба из алюминиевого сплава, разрез 10.2мм, отверстие Φ12.2мм
C=по заказу
1=ширина 26мм, диаметр отверстия Φ10.2мм
2=ширина 26мм, диаметр отверстия Φ12.2мм
3=ширина 32мм, диаметр отверстия Φ10.2мм с пластиковой крышкой
4=ширина 32мм, диаметр отверстия Φ12.2мм с пластиковой крышкой
5=Пластиковая скоба, ширина 32мм, разрез 8.2мм, диаметр отверстия Φ10.2мм
6=Пластиковая скоба, ширина 32мм, разрез 8.2мм, диаметр отверстия Φ12.2мм
7=Скоба из алюминиевого сплава, ширина 26мм, разрез 6.2мм, диаметр отверстия Φ10.2ммm
8=Скоба из алюминиевого сплава, ширина 26мм, разрез 6.2мм, диаметр отверстия Φ12.2mm
9=Скоба из алюминиевого сплава +ниппель из ПВХ, ширина 26мм, разрез 6.2мм, диаметр отверстия Φ10.2мм
C=по заказу
1=черный
2=цвет слоновой кости
C=по заказу
1=IP42
2=IP54
3=IP65
4=IP66
5=без оболочки
1=отсутствует(стандартный)
2=защитные винты
3=толкающие винты
4= предохранительные винты, толкающие винты
1=нормально разомкнутый выключатель на обоих концах замыкает цепь
2=нормально разомкнутый выключатель на обоих концах выводит сигнал
3=нормально разомкнутый на обоих концах замыкает цепь, разомкнутый на одну третью - выводит сигнал
4=нормально разомкнутый на обоих концах замыкает цепь, разомкнутый на одну третью - выводит сигнал
C=по заказу
1=отсутствует
2=один датчик Холла
3=два датчика Холла
4=герконовый датчик
1=отсутствует
3=одна торсионная пружина с 4,5 циклами
2=одна торсионная пружина с 3 циклами
4=тормоз двигателя
1=концевые выводы
2=01-контактный разъем
3=Din 4-контактный разъем, 90°
4=Din 5-контактный разъем, 90°
5=Din 6-контактный разъем, 90°
C=по заказу
1=0.5м
2=1м
3=1м
4=2м
5=3M
C=по заказу
1=прямой кабель
2=спиралевидный кабель
Линейные актуаторы U1
Линейные актуаторы U2
Линейные актуаторы U4
Линейные актуаторы U5
Линейные актуаторы U5B
Линейные актуаторы U5D
Линейные актуаторы U6
Линейные актуаторы U6B
Линейный актуатор U7
Линейные актуаторы U9
Линейные актуаторы U10L
Линейные актуаторы U10P
Линейные актуаторы U10S
Линейный актуатор U12Наша продукция системы линейного перемещения широко применяется в различных отраслях, а требования к линейным актуаторам в разных отраслях, как правило, различные. И, чтобы соответствовать этим требованиям, наши актуаторы обладают 9 ключевыми параметрами. Кроме того, мы также готовы разработать уникальные линейные актуаторы в соответствии с Вашими заданными параметрами. Мы располагаем высококвалифицированными инженерами, которые помогут Вам найти идеальное решение для воплощения Ваших идей. Все, что Вам нужно, - это знать что Вам нужно, а мы приступим к созданию наиболее подходящего дизайна и немедленно отправим Вам образец для ознакомления. Даже, если Вы не имеете конкретного дизайна будущих линейных актуаторов, наша команда профессионалов всегда рада проконсультировать Вас.
Tomuu Linear Actuator Technology Co., Ltd.
Адрес: Shengyao Hi-Tech Park, Shipai Town, Dongguan City, Guangdong Province
Эл. почта: kimlee.w.info@gmail.com
Контактное лицо: Cherry
Моб. телефон: +86-13713428909
WhatsApp: +86-13713428909
Контактное лицо: Kim
Моб. телефон: +86-13416955738
WhatsApp: +1 (646) 496-8744